|
Thema: Tiger I spät in 1/10 |
[ - Antworten - ] |
23.02.2008, 13:48 Uhr
 halbkette

|
Hallo,
weiter so, vielleicht noch ein paar Detail-Aufnahmen?
Das sieht doch alles schon prima aus.
-- Gruß Hartmut
" Ein Modell ist mehr als nur die Summe seiner Teile "
|
|
|
|
|
05.11.2010, 22:00 Uhr
 Ritchie

|
quote: Original von Robert:
Hiaaaaa
Schön, ein Foto vom eigenen Panzer zu sehen. Meine Fotos sind alle verschwunden, da meine Festplatte Anfang 2010 abgeraucht war.
Aber den Panzer gibt es noch und der wartet immer noch auf Vollendung. Momentan hab ich zuviel mit anderen Projekten zu tun. Monstertrucks, Motorrad in 1:1 - um nur zwei zu nennen.
-- Gruß! Ritchie
|
|
|
|
|
06.11.2010, 09:42 Uhr
 Ritchie

|
Ach ja, hätte für mich evtl. jemand die Maßzeichnung vom Turm incl Kanone? -- Gruß! Ritchie
|
|
|
|
|
15.08.2011, 08:47 Uhr
 Ritchie

|
So, nun ist wieder einige Zeit verstrichen...Neue Motovation bekam ich gestern auf der Flugshow in Bautzen. Hier waren einige Panzerfahrer am Werke mit einem schönen Gesamtdiorama und mehreren Modellen in 1/16.
Ein Stand mit Heng Long Modellen war auch vorhanden, die sehen eigentlich gar nicht so schlecht aus;-))
Mein Alu-Tiger ruht immer noch auf dem Stand von vor ein paar Jahren. Als nächstes müsste ich den Turm in Angriff nehmen. Mal sehen, ob die Motovation anhält... -- Gruß! Ritchie
Tiger I Vollmetall in Arbeit (1:10)
|
|
|
|
|
04.01.2013, 08:30 Uhr
 Ritchie

|
Wo findet man seine Abbonements?
Kann da bitte jemand helfen? --- das ist geklärt, gibt es nicht, nur email-Meldung.
Bitte auch darum, den tread unter der Rubrik "Bauberichte online" einzuordnen. Vielen Dank!
--
Gruß! Ritchie
Tiger I Vollmetall in Arbeit (1:10
|
|
Beitrag 3 mal editiert. Zuletzt editiert von Ritchie am 04.01.2013 12:48. |
|
|
05.01.2013, 13:10 Uhr
 Ritchie

|
Zunächst einmal vielen Dank an die Admins für das Umstellen des treads!
Beim Recherchieren im Netz ist mir aufgefallen, dass der Turm des Tiger I nicht symmetrisch sein soll, sondern eher windschief:
Dabei sind wohl unterschiedliche Winkel in der Seitenpanzerung vorhanden. Keine Ahnung, ob das stimmt. War auf einer englisch-sprachigen Seite angegeben. Sollte man das so machen oder eher symmetrisch? -- Gruß! Ritchie
Tiger I Vollmetall in Arbeit (1:10)
|
|
|
|
|
06.01.2013, 08:04 Uhr
 Ritchie

|
Na ja, ich glaube das mit den Winkeln ist ein alter Hut...
Nach langer Pause möchte ich nun erstmal ein paar aktuelle Fotos einstellen:

Der Bau des Panzers wurde von mir ja schon 2002 begonnen und war bis zur Fertigstellung der Wanne, Oberwanne und des Laufwerks mit Kette und Motoren nebst Elektronik gekommen, wie man auf der Übersicht sieht.
Auf dem nächsten Foto sieht man die Antriebskassetten mit je einem Scheibenwischermotor und Kettenantrieb auf die Antriebswellen:

Die Antriebsräder, Spannräder und Laufräder habe ich von UliW bezogen. Der Rest des Panzer ist komplette Eigenarbeit mit eher bescheidenen Mitteln (nur Sägen, Feilen, Bohren).
Mittlerweile habe ich aber Maschinen, so dass die weitere Arbeit erheblich leichter werden wird;-)
Der Panzer hat auch schon 2005 die ersten Proberunden gedreht - soweit hatte alles geklappt, bis auf die fehlende Verdrehsicherheit der Arrettierung Drehstäbe der Federung. Dort muss ich nacharbeiten. Desweiteren geht es dann mit dem Turmbau weiter.
--
Gruß! Ritchie
Tiger I Vollmetall in Arbeit (1:10)
|
|
Beitrag 4 mal editiert. Zuletzt editiert von Ritchie am 06.01.2013 08:25. |
|
|
06.01.2013, 12:00 Uhr
 Metallmaster

|
Hallo Ritschi,
Hast du die Zeichnung von David Byrden Homepage?
Auf dieser Seite sind Zeichnungen mit Bemaßungen von Bovington Tiger und viel Details sehr gut erklärt.
Wenn du Google Chrome verwendest werden auch gleich die Seiten ins deutsche übersetzt.
Für meinen Tiger 1 im Maßstab 1:10 habe ich sehr viel davon umsetzen können.
Hier noch mal die Homepage: http://tiger1.info/
Gruß Michael

|
|
|
|
|
06.01.2013, 14:15 Uhr
 Ritchie

|
Hallo Michael,
sehr hilfreiche Seite - danke. Hatte ich auch früher - jetzt erinnere ich mich wieder - mal reingeschaut. Aber nicht nach Maßen durchforstet. Das werde ich nun aber tun!
Mit der Asymmetrie des Turmes stimmt also. Meine Wanne ist nicht 100% scalig. Da fange ich aber nicht neu an...
Dein Tiger sieht gut aus!
--
Gruß! Ritchie
Tiger I Vollmetall in Arbeit (1:10)
|
|
Beitrag 1 mal editiert. Zuletzt editiert von Ritchie am 06.01.2013 14:16. |
|
|
06.01.2013, 16:24 Uhr
 Metallmaster

|
Hallo Ritchi,
Das ist mein Tiger den ich im Online Spiel "World of Tanks" Spiele. Da ist er nicht der überragende Panzer.
Ein Bild vom Heck meines Tigers habe ich dem Post angefügt (Ich weis nicht wie man mehrere Bilder anfügt).
Ich arbeite auch schon gefühlte 10 Jahre an meinem Panzer. Ich habe soviel Teile schon zwei oder dreimal hergestellt das ich schon 2 Tiger baue. Einen in Alu- und einen in Edelstahl Rostfrei. Die letzte Variante hat den Vorteil das man die Schweißnähte sehr detailgetreu im WIG- Schweißverfahren herstellen kann. Mit der Scale Genauigkeit ist das so eine Sache.
Wenn man Bauteile an den Originalen vergleicht so sind hier auch Abweichungen drin. Für die Wanne habe ich teilweise den Sturm Tiger in Munster Vermessen die im Grunde Baugleich mit der Tiger 1 E Wanne ist.
Gruß Michael

|
|
|
|
|
06.01.2013, 17:10 Uhr
 Ritchie

|
Ja, Michael, da ist es bei uns ähnlich, was die Bauzeit anbetrifft;-))
Dein Tiger auf dem Foto - ist der von beiden aus Alu? - sieht sehr detailiert aus. Prima!
Ich habe mir mal Gedanken zum Turmdrehmechanismus gemacht. Der ist innen dann auch nicht scale, aber hat den Vorteil, das man einen Kabelkanal von 34mm Durchmesser hat.
Verwendet werden soll ein Rillenkugellager 16010 (80x50x10) und ein Zahnrad Modul1 mit 80 oder 100 Zähnen dazu kommt dann ein RB35-600 Motor mit M 1 Ritzel.
Die Grundplatte des Turmes wird wohl 10mm Alu (da wo sie kreisrund ist).
--
Gruß! Ritchie
Tiger I Vollmetall in Arbeit (1:10)
|
|
Beitrag 2 mal editiert. Zuletzt editiert von Ritchie am 06.01.2013 17:19. |
|
|
07.01.2013, 15:46 Uhr
 Ritchie

|
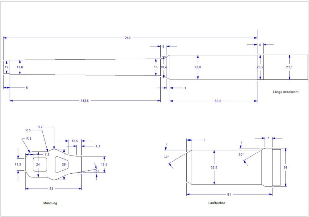
Heute ging es etwas weiter. Ich habe mal die Kanone gezeichnet.
Jetzt fehlt nur noch Material und etwas Zeit...
--
Gruß! Ritchie
Tiger I Vollmetall in Arbeit (1:10)
|
|
Beitrag 1 mal editiert. Zuletzt editiert von Ritchie am 07.01.2013 15:47. |
|
|
08.01.2013, 12:42 Uhr
 petitloup

|
Hallo Ritchie,
schön das du dein Tigerprojekt wieder aufgegriffen hast, ich bin gespannt was uns noch alles erwartet
gruß,
Serge
|
|
|
|
|
08.01.2013, 14:28 Uhr
 Ritchie

|
Hallo Serge,
vielen Dank für die aufmunternden Worte. Momentan ist meine Motivation zum Weiterbauen gut. Ich denke mal, das die vielen Details, die noch fehlen mehr Arbeit machen werden, als der Bau der Wanne mit Laufwerk. Faktor 5 oder so. -- Gruß! Ritchie
Tiger I Vollmetall in Arbeit (1:10)
|
|
|
|
|
08.01.2013, 20:35 Uhr
 Metallmaster

|
Hallo Ritchie,
hier noch mal eine Zeichnung von der Walzenblende.
Von den Maßen kannst Du erkennen das sie asymmetrisch ist wie der Turm auch.
Gruß Michael
 74,6 KBs Walzenblende.pdf Count: 659
|
|
|
|
|