|
Thema: Vorstellung Umbau Leopard 2 Carson |
[ - Antworten - ] |
25.10.2012, 21:49 Uhr
 --Heiko--
|
Hallo,
ich möchte euch mal mein Projekt vostellen. Sobald ich damit anfange werde ich natürlich mein Baubericht im entsprechenden Forum einstellen.
Als Basis bekomme ich den Leopard 2A5 von Carson. Ich durfte ihn zwar schon fahren aber den gibt es erst zu Weihnachten. Beim ausfahren musste ich leider feststellen das es nicht so wirklich das ist was ich mir unter Panzer fahren vostelle, deswegen habe ich auch sofort Umbaupläne geschmiedet.

Als erstes werde ich die Gesamte Elektronik aus dem Panzer entfernen und gegen neue ersetzen. Dazu habe ich mir überlegt ein Soundmodul von Beier zu kaufen.
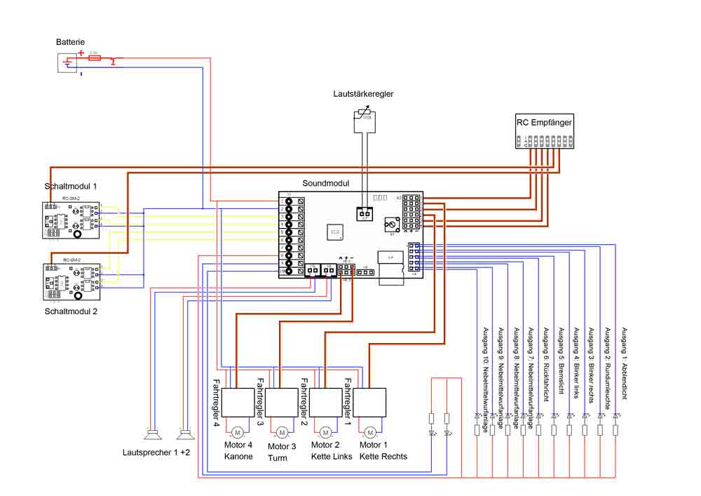
Dazu ein Schaltplan

Leider habe ich jetzt die Schussfunktion im Schaltplan vergessen, aber Ausgänge hat das Dinge ja genug.
Ich bin eigentlich guter Dinge das der Schaltplan so funktioniert, aber für verbesserungsvorschläge etc bin ich immer offen.
Also zweiter Schritt bekommt der Panzer neue Motoren, Getriebe von Heng Long, Kettenantriebskranzpaar und Metallketten.
Evtl müsste man auch noch das Fahrwerk bearbeiten, aber da habe ich mich noch nicht richtig schlauch gemacht.
Eine neue Funke muss auch her. Habe aus Kostengründen ein Auge auf die Carson Reflex Stick 6 Kanal 2,4 Ghz geworfen.
Ich würde mich über Feedback freuen.
gruß
Heiko
|
|
|
|
|
25.10.2012, 21:53 Uhr
 scenic99
Bob der Baumeister

|
Hallo Heiko,
das einzigfe Feedback das ich dir geben kann :
Wenn du Geld sparen möchtest, dann kaufe dir einen gebrauchten Leo 2 von Tamiya aus dem großen Auktionshaus - da hast du wesentlich mehr von !!!
Ehrlich
Gruß
Dirk -- email@dirkkristen.de
http://www.dirkkristen.de
|
|
|
|
|
25.10.2012, 22:12 Uhr
 Doomgiver
|
Hallo Namensvetter,
wenn das der gleiche Panzer ist, den auch Graupner vertickt (sieht zumindest stark danach aus): Finger weg! Mein M1 basierte auf dem gleichen Modell (anderes Design, gleiche Technik), das war ja furchtbar. Vor Fahrverhalten, Schussfunktione, Sound (*hust*)... einfach nur gruselig!
Bis mir mein Ami-Schlitten gefiel, habe ich einige tausend Euro und ziemlich genau zwei Jahre Zeit investiert. Insofern pflichte ich meinem Vorredner bei: Versuch einen guten gebrauchten Tamiya Leo2 bei ebay oder noch besser hier im Forum zu ergattern, da hast Du deutlich mehr von. Spart vor allem Zeit, Geld und Nerven.
Heiko
|
|
|
|
|
25.10.2012, 22:14 Uhr
 kampfgnom

|
Hallo Heiko,
spannendes Projekt was du da vor hast. Wie Dirk schon sagt wird es sicher nicht so günstig wie du denkst
Welche Schaltfunktion willst du an der Nebelmittelwurfanlage realisieren?
Bin echt gespannt!
Beste Grüße
kevin
|
|
|
|
|
28.01.2020, 09:47 Uhr
 Tiger-Ass

|
Hallo Dirk,
wir werden es wohl nicht erfahren. Letzter Boardbesuch 2013
Wahrscheinlich entnervt aufgegeben.....
|
|
|
|
|
28.01.2020, 10:10 Uhr
 jhamm

|
Letzter Boardbesuch 15.04.2013, 11:41 Uhr
...wir werden es wohl nicht erfahren.
Oder man triggert den Heiko per Mail an. -- Grüße
Jürgen
|
|
|
|
|